歡迎來到,廈門普利得汽車電子有限公司官網!

免費谘詢電話:

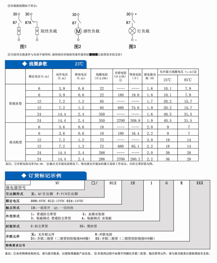
汽車繼電器
M7/012-1H2G

特性:
· ●70A觸點切換能力
· ●具有常開、轉換2種觸點形式
· ●多種安裝方式
· ●多種工作電壓
· ●符合RoHS、ELV指令

典型應用:
後窗除霧器、電池斷路裝置、汽車空調、油泵控製、喇叭控製 冷卻風扇控製、霧燈/大燈控製、防抱死製動(ABS)、加熱控製等

詳細介紹


上一頁:M8/012-1H1GR
下一頁:M7/012-1H1G
中國福建省廈門市海滄區中滄東路9號
電話:
郵箱:E-mail:

微信二維碼

手機二維碼

貼心導航:啟動繼電器   磁吹繼電器    固態繼電器   高壓繼電器 

CopyRight © by  Xiamen PLID  Automotive Electronics Co.,Ltd.  All Rights Reserved 網站備案號:閩ICP備09034292號